Toyota Corolla Electrical Wiring Diagram . Toyota Corolla (USA) [2006] Electrical Wiring Diagram TOYOTA Electrical Wiring Diagrams PDF above the page - Auris, Avalon, Avensis, Camry, Corolla, Hiace, Hilux, Land Cruiser, Prius, RAV-4, Supra, Yaris. This wiring diagram manual has been prepared to provide information on the electrical system of the Toyota Corolla, Twelfth generation (E210), Hatchback/Sedan, with 1.8L/1.8L.
2009 2010 toyota corolla electrical wiring diagrams from www.slideshare.net
aim 000 174-0 ewd main kit (only for belgium) 08585-12980 main kit (other countries) 08585-12990 fitting kit 08586-1e831 glass breakage sensor kit 08192-13820 radar sensor 08192-1e890 siren kit 08192-13810 When overall connections are required, see the Overall Electrical Wiring Diagram at the end of this manual.
2009 2010 toyota corolla electrical wiring diagrams Learning about 2023-2024 Toyota Corolla Wiring Diagrams and Component Locations (EM3560U): Everything You Need to Know about Toyota Corolla The 2004 Toyota Corolla manual does not specifically mention reasons for a missing odometer reading in the instrument cluster Wiring related to each system is indicated in each system circuit by arrows (from__, to__)
Source: www.slideshare.net 2009 2010 toyota corolla electrical wiring diagrams , 2004 Toyota Corolla Electrical Wiring Diagram Toyota Corolla Sprinter Manuals. However, common causes for this issue include a faulty instrument cluster, a blown fuse, a wiring problem, or a malfunctioning vehicle speed sensor.
Source: servicepartmanuals.com Toyota Corolla (USA) [2006] Electrical Wiring Diagram , Some TOYOTA COROLLA Wiring Diagrams are above the page Learning about 2023-2024 Toyota Corolla Wiring Diagrams and Component Locations (EM3560U): Everything You Need to Know about Toyota Corolla
Source: www.slideshare.net 2009 2010 toyota corolla electrical wiring diagrams , 2004 Toyota Corolla Electrical Wiring Diagram Toyota Corolla Sprinter Manuals. TOYOTA Electrical Wiring Diagrams PDF above the page - Auris, Avalon, Avensis, Camry, Corolla, Hiace, Hilux, Land Cruiser, Prius, RAV-4, Supra, Yaris.
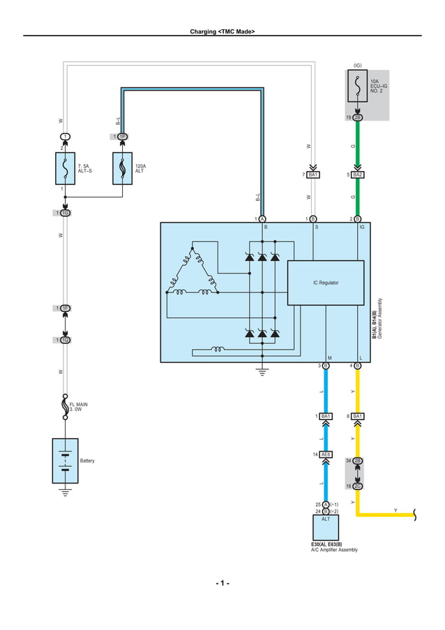
Source: www.slideshare.net 2009 2010 toyota corolla electrical wiring diagrams , Toyota Corolla 2006 Electrical Wiring Diagram OVERALL WIRING Part of 2020 Toyota Corolla electrical system It is the programming of the key and opening control, if for some reason your key is deactivated or does not work correctly, these manuals also include the procedure that you must perform to correctly configure the key and ignition control of the car.
Source: servicepartmanuals.com Toyota Auris & Corolla [200708] Electrical Wiring Diagram , Toyota Corolla 2006 Electrical Wiring Diagram OVERALL WIRING The 1.1-liter four-cylinder engine developed 60 hp, the gearbox was four-speed, the rear suspension was spring dependent, and the front was independent with one transverse spring (later spring).
Source: servicepartmanuals.com Toyota Auris & Corolla [200708] Electrical Wiring Diagram , 2020 Toyota Corolla Air Conditioning Wiring Diagram Internal wiring for each junction block is also provided for better understanding of connection within a junction block
Source: www.slideshare.net 2009 2010 toyota corolla electrical wiring diagrams , A restyled version of the fifth generation of the Toyota 4Runner.The car presentation was held in April 2013 in California (USA) Wiring related to each system is indicated in each system circuit by arrows (from__, to__)
Source: www.slideshare.net 2009 2010 toyota corolla electrical wiring diagrams , 2020 Toyota Corolla Air Conditioning Wiring Diagram Part of 2020 Toyota Corolla electrical system It is the programming of the key and opening control, if for some reason your key is deactivated or does not work correctly, these manuals also include the procedure that you must perform to correctly configure the key and ignition control of the car.
Source: www.slideshare.net 2009 2010 toyota corolla electrical wiring diagrams , Some TOYOTA COROLLA Wiring Diagrams are above the page When overall connections are required, see the Overall Electrical Wiring Diagram at the end of this manual.
Source: www.slideshare.net 2009 2010 toyota corolla electrical wiring diagrams , A restyled version of the fifth generation of the Toyota 4Runner.The car presentation was held in April 2013 in California (USA) Internal wiring for each junction block is also provided for better understanding of connection within a junction block
Source: www.slideshare.net 2009 2010 toyota corolla electrical wiring diagrams , 2009-2010 Toyota Corolla Wiring Diagrams (EM12R1U) EM12R1U Download PDF This wiring diagram manual has been prepared to provide information on the electrical system of the Toyota Corolla, Twelfth generation (E210), Hatchback/Sedan, with 1.8L/1.8L.
Source: www.slideshare.net 2009 2010 toyota corolla electrical wiring diagrams , Some TOYOTA COROLLA Wiring Diagrams are above the page Part of 2020 Toyota Corolla electrical system It is the programming of the key and opening control, if for some reason your key is deactivated or does not work correctly, these manuals also include the procedure that you must perform to correctly configure the key and ignition control of the car.
Source: servicepartmanuals.com Toyota Corolla 2006 Electrical Wiring Diagram , With this Toyota Corolla Workshop manual, you can perform every job that could be done by Toyota garages and mechanics from: changing spark plugs, brake fluids, oil changes, engine rebuilds, electrical faults; and much more; The Toyota Corolla 2010 Electrical Wiring Diagrams PDF includes: detailed illustrations, drawings, diagrams, step by step. Some TOYOTA COROLLA Wiring Diagrams are above the page
Source: www.slideshare.net 2009 2010 toyota corolla electrical wiring diagrams , When overall connections are required, see the Overall Electrical Wiring Diagram at the end of this manual. aim 000 174-0 ewd main kit (only for belgium) 08585-12980 main kit (other countries) 08585-12990 fitting kit 08586-1e831 glass breakage sensor kit 08192-13820 radar sensor 08192-1e890 siren kit 08192-13810
Source: wiringdiagram.2bitboer.com Toyota Corolla Ae111 Wiring Diagram Wiring Diagram , Some TOYOTA COROLLA Wiring Diagrams are above the page Part of 2020 Toyota Corolla electrical system It is the programming of the key and opening control, if for some reason your key is deactivated or does not work correctly, these manuals also include the procedure that you must perform to correctly configure the key and ignition control of the car.
2009 2010 toyota corolla electrical wiring diagrams . Toyota Corolla 2006 Electrical Wiring Diagram OVERALL WIRING A restyled version of the fifth generation of the Toyota 4Runner.The car presentation was held in April 2013 in California (USA)
2009 2010 toyota corolla electrical wiring diagrams . Learning about 2023-2024 Toyota Corolla Wiring Diagrams and Component Locations (EM3560U): Everything You Need to Know about Toyota Corolla 2009-2010 Toyota Corolla Wiring Diagrams (EM12R1U) EM12R1U Download PDF